MODEL N5 組込対応エリアイメージャエンジン
- 特長
- 仕様
- 型番
- ダウンロード
特長
- コンパクト設計
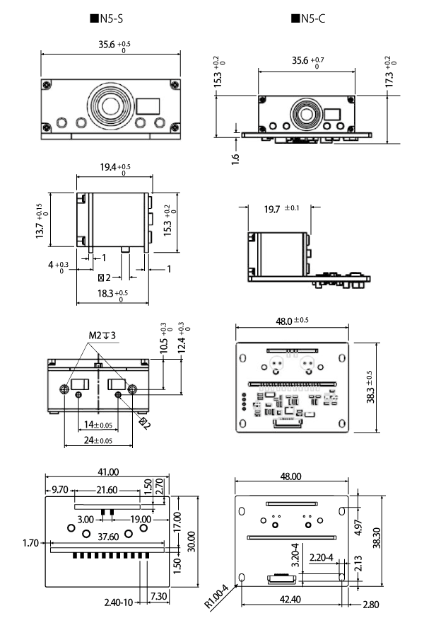
N5-C:W48 x D38.3 x H17.5 mm - 視認性の高い緑色LEDエイマー
- 高速サクサク読み取り
- ラベルをかざすだけで読み取り!
オートセンスモード対応 - TTL232, USB(HID, COM, HID-POS)
インターフェイス対応
コンパクト設計

●N5-C

●N5-S(販売終了)
仕様
対応バーコードシンボル
- 二次元コード
- QR, マイクロ QR, PDF417, DataMatrix(ECC200, ECC000, 050, 080, 100, 140)
- 一次元コード(バーコード)
- JAN/EAN/UPC, コード39, NW7, インダストリアル25,コード128, GS1-128, コード93, GS1 DataBar,インターリーブド25, UCC.EAN-128, 他
寸法図

| 項目 | 仕様 | ||
|---|---|---|---|
| 光学仕様 | イメージセンサー | CMOS エリアセンサー 752x480 | |
| 読取光源 | 赤色LED4個 625nm +/-10nm | ||
| エイミング光源 | 緑色LED1個 | ||
| 視野角 | 水平 | 約35.5° | |
| 垂直 | 23° | ||
| 読取角度 | ピッチ | +/-50° | |
| スキュー | +/-50° | ||
| チルト | +/-180° | ||
| PCS値 | >=30%min | ||
| 分解能 | 0.127mm | ||
| 読取深度 | EAN13(0.33mm) | 55~320mm | |
| コード39(0.127mm) | 85~115mm | ||
| DataMatrix(0.254mm) | 55~175mm | ||
| QR(0.381mm) | 35~220mm | ||
| インターフェイス | USBインターフェイス(HID,COM,HID-POS) TTL232インターフェイス |
||
| 電源 | 動作電圧 | DC3.3V +/-5% | |
| 消費電流 | 動作時 | 230mA | |
| 待機時 | 50mA | ||
| 温度 | 動作温度 | -20℃~+60℃ | |
| 保管温度 | -40℃~+80℃ | ||
| 湿度 | 5%~95% 氷結・結露無し | ||
| 耐外乱光 | 0~10,000lx(自然光) | ||
| 外形寸法 | N5-C | W48 x D38.3 x H17.5 mm | |
| 重量 | N5-C | 約18g | |
型番
■ MODEL N5シリーズ 組込対応エリアイメージャエンジン
| 型番 | 仕様 |
|---|---|
| N5-S <販売終了> |
エリアイメージャエンジン(TTL232/USB), PCB取付穴無し, FPCコネクタ |
| N5-C |
エリアイメージャエンジン(TTL232/USB), PCB取付穴4箇所, FPCコネクタ |
| ※ | 改良の為、予告無く外観・仕様を変更する場合があります。 |
| ※ | 各製品名・社名は該当各社の商標又は登録商標です。 |








